Science makes it known,
Engineering makes it work,
Art makes it beautiful.
|
|
mathproc.dll FORTRAN Engineering Subprograms
(Calculating Model Rocket Coefficient of Normal Force & Center of Pressure)
1
(Includes Downloads)
mathproc.dll
- Mathematical Procedures - FORTRAN Files
(or more simply, mathproc.for) contains over
60 engineering, mathematical, and scientific application subprograms
(both functions and subroutines) from multiple sources.
tir33.for
is a collection of FORTRAN subprograms extracted from
mathproc.dll
to calculate and output Coefficient of Normal Force and Center of Pressure
for an aerodynamically stabilized rocket. The subprograms' passed
parameter list is documented within the source code. The source code
file may be combined with
mathaux.for. See
Creating FTN95 Project
and
mathproc Project Properties
for setting up the project file and compiling.
α : angle of
attack, shown as a (Displacement angle)
in diagram below; angle between Flight Direction and rocket's
longitudinal axis
(referred to as Axis of Symmetry in diagram below)
cg : Center of Gravity,
rocket's "pivot" point
cp : Center of
Pressure, point where aerodynamic forces act; calculated by
tir33.for
subprograms extracted from
mathproc.dll
for each rocket component; Technical Information Report TIR-33
refers to each component's relative cp
location as ∆xcomponent subscript;
xcomponent subscript is the distance from the
reference line (usually nose tip) to the component.
D :
Aerodynamic Drag Force, acts parallel to rocket's
Flight Direction; a type of friction acting opposite to the
relative motion of an air vehicle flying through the air
L :
Aerodynamic Lift Force, acts perpendicular to rocket's
Flight Direction
N :
Aerodynamic Normal Force, acts perpendicular to rocket's
longitudinal axis
(referred to as Axis of Symmetry in diagram below);
when α = 0, N = 0
A :
Aerodynamic Axial Force, acts parallel to rocket's
longitudinal axis
CD : Drag
Coefficient, dimensionless quantity that is used to quantify all of the
complex dependencies of shape, inclination, and flow conditions on
air vehicle drag
CL : Lift
Coefficient, dimensionless quantity describing lift characteristics of a
particular shape (or cross-section) of an air vehicle (
CLα : Lift Coefficient
at angle of attack α)
CNα : Coefficient
of Normal Force at angle of attack α
(sometimes referred to as Normal Force Coeffcient derivative),
dimensionless quantity based on shape; calculated by
tir33.for
subprograms extracted from
mathproc.dll
for each rocket component
N =
CNα ½ ρ
V2 α Ar
ρ : Air density
V : Airspeed
Ar : Reference area indicating size of rocket, usually nose
base cross-sectional area; nose base diameter is also used in calculating
conical transition CNα
When α is small
(measured in radians),
it is common in Aerodynamics to use α
in equations instead of sin (α).
Using the simple FORTRAN function at right, can calculate N
with the statement:
N = FAREO (CNA, RHO, V, AR) * ALPHA
With the appropriate arguments, this function can also be used to calculate
D (Do not inlude
α), L, etc.
|
dynamic pressure = ½ ρ V2
|
L =
N cos α
- A sin α
D =
N sin α
+ A cos α
= CD ½ ρ V2 Ar
D, L,
N, and A
are vectors; the
tir33.for
FORTRAN subprograms calculate the cp
and CNα.
cp locations
and CNα must be
calculated for each component (using
tir33.for)
and then summarized (using
missle02.pas
- see below;
requires include files
genetyp.inc2,
nrtyp.inc,
and missle.inc). The
components are nose cone, conical shoulder(s), conical boattail(s)
(conical shoulders and conical boattails are
conical transitions), fins, etc. For an
airplane or rocket to be aerodynamically stable, the
cp must lie behind the
cg along the longitudinal axis.
|
3
|
tir33.for Subprograms
Uses variable bounds one dimensional arrays for the fin data;
statically dimensioned two dimensional matrices for the
conical transition data, for a maximum of 6 serial stages and 10 conical
transitions per serial stage. Practical design limitations are well below
these limits.
Can be called by either FORTRAN or Pascal console programs; can also be
called from Windows applications (except for
D2R2PRNT (...), PRNTCPFINS (...), and
PRNTCPCONTRANS (...)). To call from a
Lazarus
application, use
missle02.pas
procedure CmptMissleCP (...). Application shown in
Lazarus Tab Sheets
calls CmptMissleCP (...), which in turns calls
CPMRBODY (...) and CPMRFINS (...)
in tir33.for and then summarizes the data.
missle.inc,
missle02.pas, and
tir33.for
(including passed parameters) are commented
-
REAL FUNCTION RLEN (X1, X2, Y1, Y2, Z1, Z2) RESULT (D),
REAL FUNCTION MODULUS (A, B, C) RESULT (X) 4
called by SRCONE (...)
-
REAL FUNCTION ATRAPEZOID (A, B, H) RESULT (AR),
REAL FUNCTION AELLIPSE (A, B, X, Y) RESULT (AR),
REAL FUNCTION SRCYLNDR (R, H) RESULT (S),
REAL FUNCTION SRCONE (RB, H) RESULT (S),
REAL FUNCTION SRPARABOLIOD (RB, H) RESULT (S),
REAL FUNCTION SPTRAPEZOID (A, B, C, D, H, T, BEVEL) RESULT (S),
REAL FUNCTION PELLIPSE (A, B) RESULT (P)
REAL FUNCTION SPELLIPSE (A, B, X, Y, T, BEVEL) RESULT (S)
Calculate planar/surface area5 of various shapes, used in calculating
CD and
D, called by missle02.dll; not used
in calculating
CNα and
cp
-
SUBROUTINE D2R2PRNT (A, N, M, IERR) 6
General Purpose Print Subroutine for use in Command Console programs,
called by PRNTCPFINS (...) and
PRNTCPCONTRANS (...); can be used by both FORTRAN and
Pascal command console programs. Useful for outputting arrays and
matrices.
Do not call, directly or indirectly, from a
Windows program or D command console program. Calling subprogram
passes array/matrix data through matrix A.
-
REAL FUNCTION CPCONICAL (LN) RESULT (XN)
Computes the cp location, measured from
the nose tip reference line, for a conical shaped nose; called by
CPNOSE (...)
-
REAL FUNCTION CPOGIVE (LN) RESULT (XN)
Computes the cp location for an ogive
shaped nose; called by CPNOSE (...)
-
REAL FUNCTION CPPARABOLIC (LN) RESULT (XN)
Computes the cp location for a Parabolic
shaped nose; called by CPNOSE (...)
-
SUBROUTINE CPCONTRANS (IERR, L, LCT, D, R1, R2, CNCT, XCT)
Computes the cp location and
CNα for a single
conical transition; called by CPNOSE (...) (for
"Honest John" shaped nose); also called by
CPMRBODY (...) and PRNTCPCONTRANS (...);
FORTRAN allows passing individual subscripted array
elements
by reference; a conical shoulder produces a positive
CNα
(increasing stability when aft of the
cg),
a conical boattail
produces a negative
CNα
(decreasing stability when aft of the
cg); each stage
may have zero or more conical transitions
-
SUBROUTINE CPNOSE (NSHAPE, IERR, LN, LCB, D, R1, R2, CNN, XN, CNCB, XCB)
Computes the cp location and
CNα for a variety of
nose cone shapes (including "Mercury" capsule 7 and
"Honest John" 8
surface-to-surface missile special shapes);
determines nose base diameter based on nose shape; called by
CPMRBODY (...)
-
SUBROUTINE CPFINS (L, D, R, LROOT, SPAN, LCHORD, M, LTIP, CNFB, XFB, NFINS, IERR)
Computes the fin/body cp location and
CNα for a single stage;
called by PRNTCPFINS (...) and CPMRFINS (...);
FORTRAN allows passing individual subscripted array
elements
by reference
-
SUBROUTINE PRNTCPFINS (MNAME, NSTAGE, D, L, R, LROOT, SPAN, LCHORD, M, LTIP,
CNFB, XFB, NFINS, IERR)
Can be called by either FORTRAN or Pascal Console Programs, primarily
used for testing; calls CPFINS (...) for each stage and outputs the
results on the screen
-
SUBROUTINE CPMRBODY (NSTAGE, NCT, NSHAPE, IERR, LN, LCB, D, RN1, RN2,
CNN, XN, LNTCT, LCT, R1, R2, CNCT, XCT)
The nose, body tubes, and conical transitions comprise the fuselage;
Computes the cp location and
CNα for the nose by
calling CPNOSE (...) and for the conical transitions by calling
CPCONTRANS (...) for all conical transitions in every stage
(when developing main programs directly/indirectly
calling this subroutine, pay extra attention to combined conical transition
index and "Honest John" shaped nose processing, if any, on the first stage
- certain operations will need to decrement nct[1] after calling
CPMRBODY (...); mult-stage w/ "Honest John" nose is still
being tested and tweaked; recommend downloading tir33.for periodically for
any updates); for "Honest John" 8 idealization,
CPMRBODY (...) temporarily adds the conical transition
section to the conical transition matrices
-
SUBROUTINE CPMRFINS (NSTAGE, D, L, R, LROOT, SPAN, LCHORD, M, LTIP, CNFB,
XFB, NFINS, IERR)
Computes the fin/body cp location and
CNα for all serial stages by
calling CPFINS (...) for each stage
-
SUBROUTINE PRNTCPCONTRANS (MNAME, NSTAGE, NCT, IERR, D, L, LCT, R1, R2,
CNCT, XCT)
Can be called by either FORTRAN or Pascal Console Programs, primarily
used for testing; calls CPCONTRANS (...) for each conical
transition for each stage and outputs the results on the screen
|
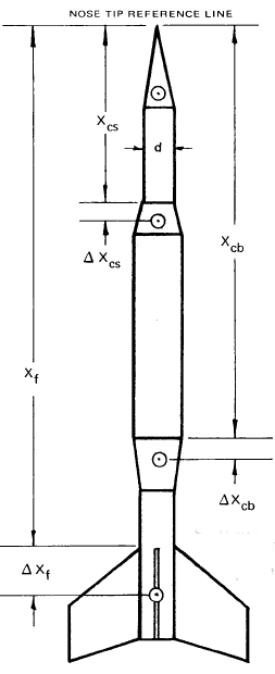
Single Stage Rocket Shown Below
Stage 1 is the uppermost stage
Stage n is the lowermost stage
(Indexed from Nose Tip)
d : Reference Diameter
cs : Conical Shoulder subscript
cb : Conical Boattail subscript
f : Fin subscript
indicates cp location
|
1
|
missle02.pas:
missle02.pas
contains model rocket related functions/procedures9 compiled
into a .dll. These routines have been successfully called by
Object Pascal console programs, Object Pascal
Windows programs, and Lazarus programs. Uses include files
genetyp.inc,
nrtyp.inc,
and missle.inc.
Application shown in
Lazarus Tab Sheets
calls missle02 procedure CmptMissleCP (...),
which in turns calls
CPMRBODY (...) and CPMRFINS (...)
in tir33.for
(mathproc.for)
and then summarizes the data via calls to other procedures in
missle02.dll:
cp = ∑
(CNα[i] * cp[i] )
/ ∑ CNα[i]
cp : overall Center of
Pressure
CNα[i] : component's
Coefficient of Normal
Force
cp[i] : component's
Center of Pressure
It is necessary to go through this calculation for the 1st stage launch
configuration through the nth stage launch configuration,
calculating each stage separately.
Warning - the external declaration for
CPMRBODY (...) and CPMRFINS (...)
refers to mathproc.dll, not tir33.dll; will need to
either
change mathproc.dll external reference to tir33.dll, or
rename tir33.for to mathproc.for.10
procedure missleErrProc (...) may call
HWND_APPND_TEXT (...) in
hwndio.pas;
will need to download and compile into hwndio.dll; see
Appending Text to Windows Edit Control
for more information.
|
 |
Use
fpcdll.bat
to compile; open a Command Prompt (on Win7 - Start, All Programs,
Accessories) and type
fpcdll missle02
1. Barrowman, James.
TIR-33 Calculating the Center of Pressure
2. Rietman, Edward (1994). Genesis Redux: Experiments Creating Artificial Life. Windcrest (McGraw-Hill).
Include file developed from major rewrite of Dawkins8 Biomorphs
(Free Pascal dawkins8.dll callable from both Pascal and D programs);
contains useful CONSTant and TYPE declarations
3. NASA Rocket Stability
4. http://www.chem.ualberta.ca/~abrown/fortran/section4.html
5. Also requires functions XROTATECW (...), YROTATECW (...),
XROTATECCW (...), YROTATECCW (...), and TRIAREA (...)
from
mathaux.for;
called by missle02.dll function FlghtSrfcArea (...) when computing
swept back elliptical fin/wing surface area. Uses ELLIPSE_SEGMENT algorithm from:
Hughes, Gary B., and Mohcine Chraibi (2011). Calculating Ellipse Overlap Areas
FlghtSrfcArea (...) calculates fin/wing surface area, used in calculating
CD and
D
6. Vetterling, William T., Saul A Teukolsky, William H. Press, and Brian P.
Flannery (1989). Numerical Recipes: Example Book (Pascal) Revised Edition
New York:Press Syndicate of the University of Cambridge.
Extracted from Pascal examples and ported to FORTRAN
7. "Mercury" capsule shaped nose cones must be idealized prior to
analysis.
CPNOSE (...) idealizes a "Mercury" capsule shaped nose
(shown at right, heavy black line) into a
conical shape (as shown by dashed line). The nose tip radius
(radius at REFERENCE LINE) and nose base radius is
known. Nose actual length (L -
∆L) is known. As an
alternative to
drawing an outline and measuring L and ∆L as given on
p. 9 of TIR-33, CPNOSE (...) uses
Similar Triangles to calculate both L and ∆L.
L = LN + ∆L
tan θ = ∆L / R1
= L / R2
= (LN + ∆L) / R2
∆L = (R1 LN) / (R2 - R1)
θ : angle between nose tip (line segment
2 3) and dashed line;
angle between nose base (line segment
1 4) and dashed line
LN : Actual length of nose (distance from reference line to
nose base)
R1 : 1st radius from reference line (nose tip radius)
R2 : 2nd radius from reference line (nose base radius)
CPNOSE (...) calculates the
cp for a conical nose of length
L and then subtracts ∆L
|
 |
1
|
8. "Honest John" shaped nose is broken down into an ogive nose component
and a conical boattail component by CPNOSE (...).
L : Length of ogive section of nose, passed as
LN to CPNOSE (...)
LCB : Length of conical boattail section of nose,
passed as LCB to CPNOSE (...)
R1N : Radius at base of ogive nose section
(same as radius at top of conical
boattail section);
1st radius from reference line
(nose tip)
R2N : Radius at base of conical boattail section;
2nd radius from reference line
(nose tip)
Refer to p. 9 of TIR-33.
|
 |
1
|
9. Procedure CmptMissleCP (...) and related procedures
are complete. missle02.dll also contains additional procedures
that are used in other model rocket analysis projects. As these other
procedures are upgraded, a new missle02.pas and/or missle.inc
will be uploaded.
10. The same thing applies to functions XROTATECW (...), etc., from
download file mathaux.for
To avoid any potential Intellectual Property violations, the entirety of
mathproc.for is unavailable for download, since portions were
previously published. Unpublished portions are available for download as
tir33.for and mathaux.for (links above).
|